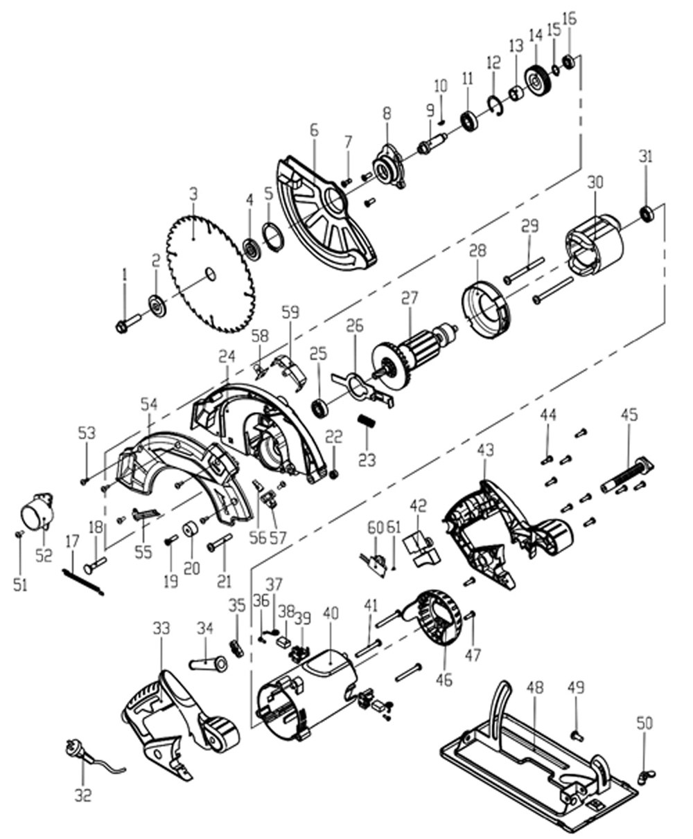
Деталировка (взрыв-схема) дисковая (циркулярная) пила Edon CS-185-1700CL сетевая - поколение 3029401
| Поз. | Vin 码 | 名称 | 配件名(英文) | Наименование | Артикул | Примечания |
|---|---|---|---|---|---|---|
| 1 | 3029401 | Hexagonal flange bolts | Болт крепления диска | 8044004170 | ||
| 2 | 3029401 | 上压板 | Upper pressure plate | Шайба прижимная | 8044004171 | |
| 3 | 3029401 | 锯片 | Alloy saw blade | Диск | 8044004172 | |
| 4 | 3029401 | 下压板 | Lower pressure plate | Шайба опорная | 8044004173 | |
| 5 | 3029401 | 轴用弹性挡圈 | Shaft elastic retaining ring | Фиксатор кожуха | 8044004174 | |
| 6 | 3029401 | 安全护罩 | Safety guard | Кожух подвижный | ||
| 7 | 3029401 | Slotted flat head screws | Винт | 8044004175 | ||
| 8 | 3029401 | 前盖 | Front cover | Корпус подшипника | 8044004176 | |
| 9 | 3029401 | 输出轴 | Output shaft | Шпиндель | 8044004177 | |
| 10 | 3029401 | 半圆键 | Semi-circular key | Шпонка | 8044004178 | |
| 11 | 3029401 | 深沟球轴承 | Deep groove ball bearing | Подшипник | 8044004179 | |
| 12 | 3029401 | 孔用弹性挡圈 | Hole elastic retaining ring | Стопорное кольцо | 8044004180 | |
| 13 | 3029401 | 隔套 | Spacer sleeve | Втулка | 8044004181 | |
| 14 | 3029401 | 大齿轮 | Large gear | Шестерня | 80440041905 | |
| 15 | 3029401 | 轴用弹性挡圈 | Shaft elastic retaining ring | Стопорное кольцо | 8044004183 | |
| 16 | 3029401 | 深沟球轴承 | Deep groove ball bearing | Подшипник | 8044004184 | |
| 17 | 3029401 | 拉簧 | Tension spring | Пружина | ||
| 18 | 3029401 | Semi-round head carriage bolts | Палец | |||
| 19 | 3029401 | Slotted flat head screws | Винт | 8044004185 | ||
| 20 | 3029401 | 橡胶柱 | Rubber column | Демпфер | ||
| 21 | 3029401 | Slotted countersunk head screws | Винт | |||
| 22 | 3029401 | Locking nuts | Гайка | 8044004186 | ||
| 23 | 3029401 | 压缩弹簧 | Compression spring | Пружина | 8044004187 | |
| 24 | 3029401 | 头壳 | Head shell | Кожух неподвижный | 8044004188 | |
| 25 | 3029401 | 深沟球轴承 | Deep groove ball bearing | Подшипник | 8044004189 | |
| 26 | 3029401 | 自锁片 | Self-locking plate | Пластина блокировки | 8044004190 | |
| 27 | 3029401 | 转子 | Rotor | Ротор | 80440041901 | |
| 28 | 3029401 | 挡风圈 | Wind deflector | Воздухонаправляющее кольцо | ||
| 29 | 3029401 | Self-tapping screws | Болт статора | 8044004192 | ||
| 30 | 3029401 | 定子 | Stator | Статор | 80440041902 | |
| 31 | 3029401 | 深沟球轴承 | Deep groove ball bearing | Подшипник | 8044004194 | |
| 32 | 3029401 | 电缆线插头 | Cable plug | Кабель с вилкой | 8044004195 | |
| 33 | 3029401 | 前手柄 | Front handle | Рукоятка правая часть | 8044004196 | |
| 34 | 3029401 | 电缆护套 | Cable sheath | Бандаж кабеля | 8044004197 | |
| 35 | 3029401 | 压线板 | Line pressure plate | Прижим кабеля | ||
| 36 | 3029401 | Self-tapping screw | Винт | 8044004198 | ||
| 37 | 3029401 | 盘簧 | Coil spring | Пружина | 8044004199 | |
| 38 | 3029401 | 碳刷 | Carbon brush | Щётки | 80440041904 | |
| 39 | 3029401 | 碳刷架 | Carbon brush holder | Щёткодержатель | 8044004201 | |
| 40 | 3029401 | 机壳 | Case | Корпус двигателя | ||
| 41 | 3029401 | Cross recessed pan head screw switch | Винт | 8044004202 | ||
| 42 | 3029401 | 开关 | Rear handle | Выключатель | 80440041903 | |
| 43 | 3029401 | 后手柄 | B-type self-tapping screw | Рукоятка левая часть | ||
| 44 | 3029401 | Locking rod | Винт | 8044004204 | ||
| 45 | 3029401 | 锁杆 | Rear cover | Фиксатор рукоятки | 8044004205 | |
| 46 | 3029401 | 后罩 | Base plate | Крышка двигателя | ||
| 47 | 3029401 | B-type self-tapping screw | Винт | 8044004206 | ||
| 48 | 3029401 | 底板 | Carriage bolt | Площадка опорная | ||
| 49 | 3029401 | Self-tapping screw | Винт | |||
| 50 | 3029401 | Butterfly nut | Гайка барашек | |||
| 51 | 3029401 | Screw for three-in-one machine | Винт | 8044004207 | ||
| 52 | 3029401 | 出尘罩 | Dust extraction cover | Пылеотвод | ||
| 53 | 3029401 | Head shell cover | Винт | 8044004208 | ||
| 54 | 3029401 | 头壳盖 | Cover wire board | Кожух защитный | 8044004209 | |
| 55 | 3029401 | 盖线板 | Laser head | Направляющая | 8044004210 | |
| 56 | 3029401 | 激光头 | Laser head seat | Основание лазера | 8044004211 | |
| 57 | 3029401 | 激光头座 | Laser switch | Лазер | 80144004238 | |
| 58 | 3029401 | 激光开关 | Laser cover | Крышка лазера | 8044004213 | |
| 59 | 3029401 | 激光盖 | Laser circuit board | Кожух лазера | 8044004214 | |
| 60 | 3029401 | 激光线路板 | Locking rod | Стопор | ||
| 61 | 3029401 | Self-tapping screw | Винт |

