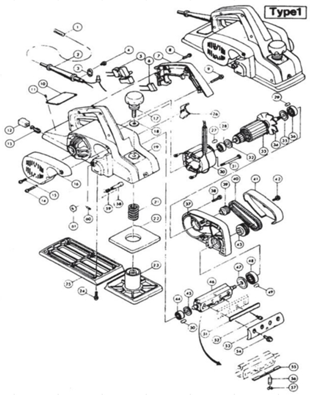
Деталировка (взрыв-схема) рубанок электрический Edon EDR1100-110 - поколение 1468601
| Поз. | Vin 码 | 名称 | 配件名(英文) | Наименование | Артикул | Примечание |
|---|---|---|---|---|---|---|
| 1 | 1468601 | Cord | Кабель с вилкой | 80144004188 | ||
| 2 | 1468601 | 护套 | Cord Guard | Бандаж кабеля | 80144004189 | |
| 3 | 1468601 | 套管 | Strain Relief | Прижим кабеля | 80144004190 | |
| 4 | 1468601 | Pan Head Svrew M4x18(with washer) | Винт М4*18 | |||
| 5 | 1468601 | 开关 | Swtich | Выключатель | 80010803004 | |
| 6 | 1468601 | Silencer | Транзистор | |||
| 7 | 1468601 | 手柄盖 | Handle Cover | Рукоятка | 80144004192 | |
| 8 | 1468601 | Pan Head Screw M4x40(with washer) | Винт М4*40 | |||
| 9 | 1468601 | Pan Head Screw M4x30(with washer) | Винт М4*30 | |||
| 10 | 1468601 | 铭牌 | Name Plate | Наклейка | 80144004195 | |
| 11 | 1468601 | Nail | Винт | |||
| 12 | 1468601 | 刷架 | Brush Holder | Щёткодержатель | 80144004196 | |
| 13 | 1468601 | 碳刷 | Carbon Brush | Щётки | 9428 | |
| 14 | 1468601 | Pan Head Screw M4x40(with washer) | Винт М4*40 | |||
| 15 | 1468601 | Pan Head Screw M4x14(with washer) | Винт М4*14 | |||
| 16 | 1468601 | 后罩 | Rear Cover | Кожух защитный с пылеотводом | 80010802020 | |
| 17 | 1468601 | 旋钮 50 | Knob 50 | Шток регулировочный | 80144004199 | |
| 18 | 1468601 | 平垫圈 10 | Flat Washer 10 | Шайба 10 | 80144004200 | |
| 19 | 1468601 | 主框架 | Main Frame | Корпус двигателя | 80010802021 | |
| 20 | 1468601 | Rubber Packing | Прокладка резиновая | |||
| 21 | 1468601 | 压缩弹簧 18 | Compression Spring 18 | Пружина | 80144004202 | |
| 22 | 1468601 | 橡胶密封圈 | Front Base | Пластина | 80144004203 | |
| 23 | 1468601 | 前底座 | Pan Head Screw M5x50(with washer) | Подошва подвижная | 80010802023 | |
| 24 | 1468601 | Rear Base | Винт | |||
| 25 | 1468601 | 后底座 | Baffle Plate | Подошва основная | 80144004205 | |
| 26 | 1468601 | 挡板 | Rubber | Заглушка | 80144004206 | |
| 27 | 1468601 | 销针4 | Rubber Pin4 | Шпонка | 80144004207 | |
| 28 | 1468601 | 轴承 608LLB | Ball Bearing 608LLB | Подшипник 608 ZZ | 80200101040 | |
| 29 | 1468601 | 销针4 | Rubber Pin4 | Шпонка | 80144004209 | |
| 30 | 1468601 | 定子 | FIELD ASSEMBLY | Статор | 80010703003 | |
| 31 | 1468601 | 角螺栓 M5x65带垫圈 | Hex.Bolt M5x65(with washer) | Винт М5*65 | 80144004211 | |
| 32 | 1468601 | 绝缘垫圈 | Insula+K35:K54tion Washer | Втулка подшипника | 80144004212 | |
| 33 | 1468601 | 电枢总成 | ARMATURE ASSEMBLY | Ротор | 80010802002 | |
| 34 | 1468601 | 风扇 68 | Fan 68 | Крыльчатка | 80144004214 | |
| 35 | 1468601 | 防尘盖 10 | Dust Seal 10 | Втулка подшипника | 80144004215 | |
| 36 | 1468601 | 轴承 6200LLB | Ball Bearing 6200LLB | Подшипник 6200 ZZ | 81004020806 | |
| 37 | 1468601 | 中间盖 | Bracket | Корпус промежуточный | 80010801015 | |
| 38 | 1468601 | Pan Head Screw M4x30(with washer) | Винт М4*30 | |||
| 39 | 1468601 | 皮带轮 | V-Pulley 4-24L | Шкив малый | 80144004218 | |
| 40 | 1468601 | 皮带 | Poly V-Belt 4-272 | Ремень | 80144004042 | |
| 41 | 1468601 | 皮带罩 | Belt COver | Кожух защитный ремня | 80010802022 | |
| 42 | 1468601 | Pan Head Screw M4x16(with washer) | Винт М4*16 | |||
| 43 | 1468601 | 带轮4-38 | V-Pulley 4-38 | Шкив большой | 80144004221 | |
| 44 | 1468601 | 轴承 6000ZZ | Ball Bearing 6000ZZ | Подшипник 6000 ZZ | 8044004304 | |
| 45 | 1468601 | 垫圈10 | Washer 10 | Шайба 10 | 80144004223 | |
| 46 | 1468601 | 刀轴 | Drum | Барабан | 80144004224 | |
| 47 | 1468601 | 垫圈12 | Washer 12 | Шайба 12 | 80144004225 | |
| 48 | 1468601 | 轴承6210ZZ | Ball Bearing 6210ZZ | Подшипник 6210 ZZ | 80144004226 | |
| 49 | 1468601 | 销针6 | Rubber Pin 6 | Шпонка 6 | 80144004227 | |
| 50 | 1468601 | 销针4 | Rubber Pin 4 | Шпонка 4 | 80144004228 | |
| 51 | 1468601 | 调整板 | Adjust Plate | Нож | 80144004229 | |
| 52 | 1468601 | 刨盖 | Pan Head Screw M4x8(with washer | Винт М4*8 | ||
| 53 | 1468601 | 片簧 | Drum Plate | Прижимная пластина | 80144004230 | |
| 54 | 1468601 | 销 | Hex.Flange Head Bolt M6x17 | Винт М6*17 | 80144004231 | |
| 55 | 1468601 | 压缩弹簧 | Spring | Пружина | 80144004232 | |
| 56 | 1468601 | 止动销 | Pin | Палец | 80144004233 | |
| 57 | 1468601 | Nut N4-12 | Гайка 4*12 | 80144004234 |

